一点经验网
首页
美食营养
生活百科
知识问答
生活知识
返回
一点经验网
首页
美食营养
游戏数码
手工爱好
生活知识
生活百科
健康养生
运动户外
职场理财
情感交际
母婴教育
时尚美容
知识问答
更多知识
搜索
台达VFD-B-P系列高机能平板型交流电机驱动器使用手册:[5]
2026-02-18 05:42:57
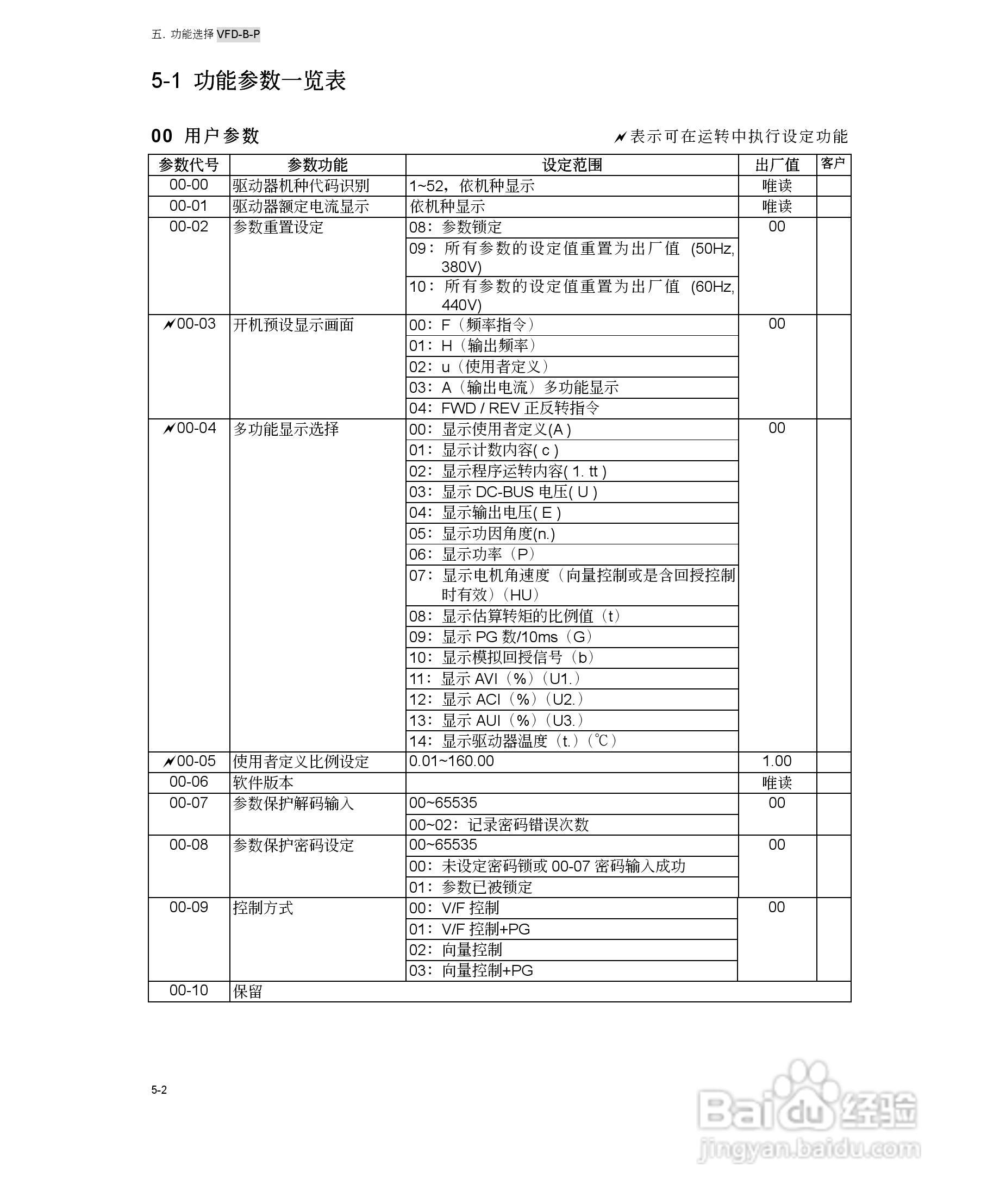
本篇为《台达VFD-B-P系列高机能平板型交流电机驱动器使用手册》,主要介绍该产品的使用方法以及常见故障解决方案。
(共篇)
上一篇:
|
下一篇:
相关推荐
台达VFD-B-P系列高机能平板型交流电机驱动器使用手册:[1]
阅读量:141
台达VFD-B-P系列高机能平板型交流电机驱动器使用手册:[3]
阅读量:178
台达风机水泵专用型交流电机驱动器VFD-F系列说明书:[5]
阅读量:151
台达风机水泵专用型交流电机驱动器VFD-F系列说明书:[4]
阅读量:112
台达风机水泵专用型交流电机驱动器VFD-F系列说明书:[6]
阅读量:115
猜你喜欢
高二政治必修三知识点
知识产权法院
运动近视眼镜
鹿角胶的功效与作用
运动减肥的方法
什么是虚荣心
小班育儿知识
curtain什么意思
破折号的作用有哪些
高血压会引起什么病
猜你喜欢
不填6填什么
木耳的功效与作用
哈尔滨有什么好玩的
红豆杉的作用
判决书什么时候生效
tct是检查什么的
苦荞茶的功效与作用及食用方法
con什么意思
什么是工业4.0
婴儿什么时候开始补钙