一点经验网
首页
美食营养
生活百科
知识问答
生活知识
返回
一点经验网
首页
美食营养
游戏数码
手工爱好
生活知识
生活百科
健康养生
运动户外
职场理财
情感交际
母婴教育
时尚美容
知识问答
更多知识
搜索
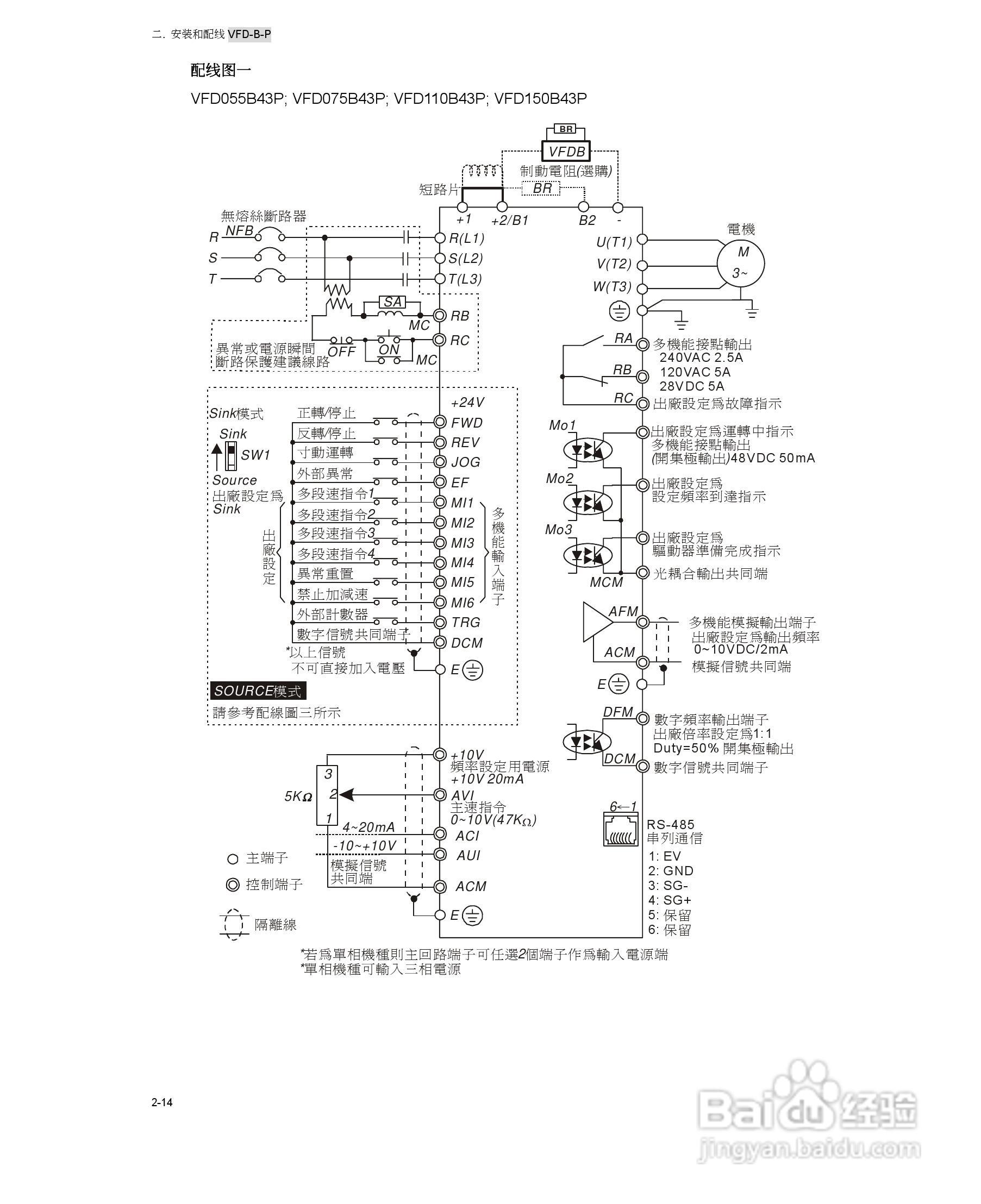
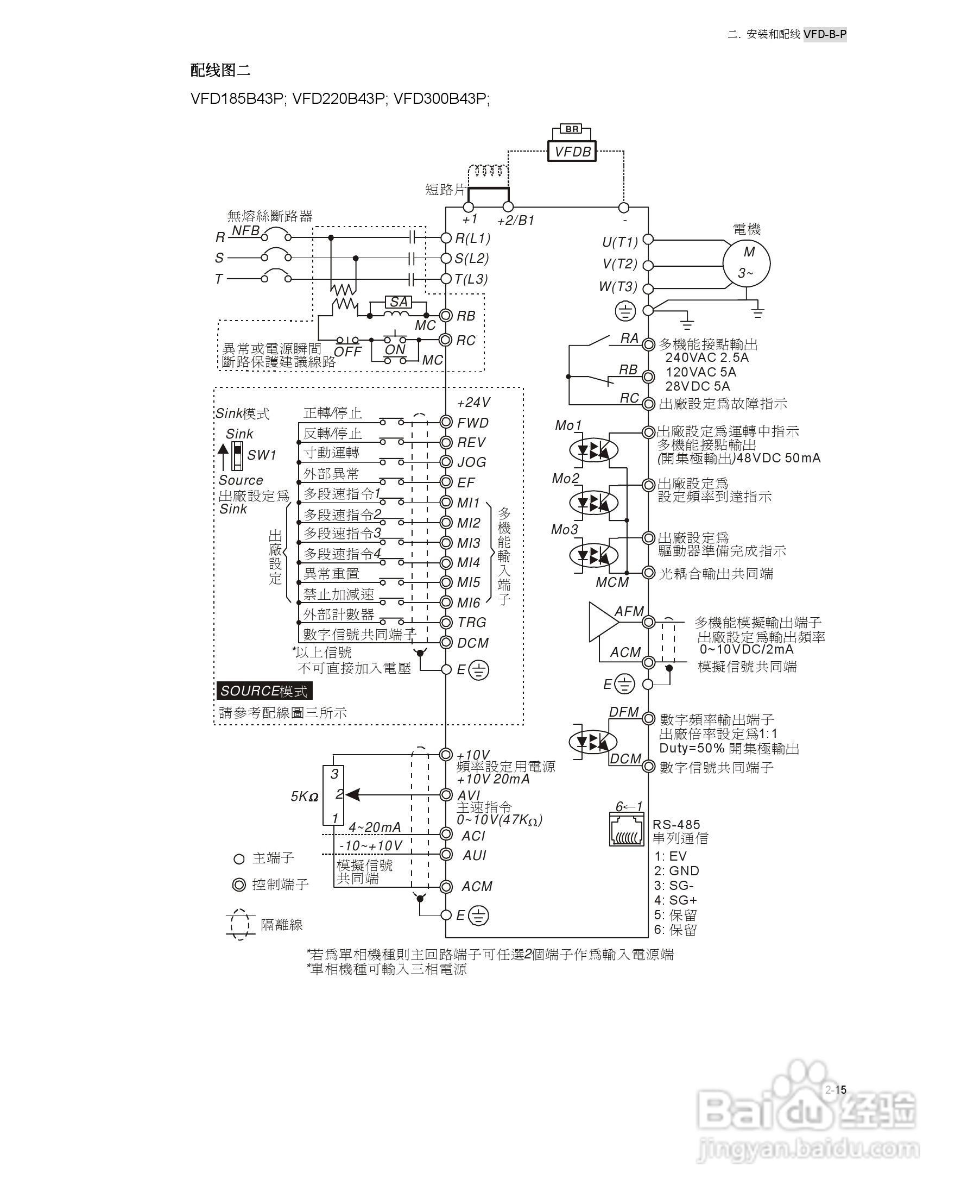
台达VFD-B-P系列高机能平板型交流电机驱动器使用手册:[3]
2026-02-15 22:12:53
本篇为《台达VFD-B-P系列高机能平板型交流电机驱动器使用手册》,主要介绍该产品的使用方法以及常见故障解决方案。
(共篇)
上一篇:
|
下一篇:
相关推荐
台达VFD-B-P系列高机能平板型交流电机驱动器使用手册:[1]
阅读量:140
台达风机水泵专用型交流电机驱动器VFD-F系列说明书:[3]
阅读量:77
台达风机水泵专用型交流电机驱动器VFD-F系列说明书:[4]
阅读量:145
台达风机水泵专用型交流电机驱动器VFD-F系列说明书:[6]
阅读量:60
台达风机水泵专用型交流电机驱动器VFD-F系列说明书:[5]
阅读量:137
猜你喜欢
diy什么意思
学制是什么
什么是搜索引擎
of course是什么意思
magic是什么意思
suv什么意思
点映是什么意思
孕酮高是什么意思
罗勒是什么
id是什么软件
猜你喜欢
mate什么意思
什么是温室效应
亲切的反义词是什么
什么是有机化合物
橙色代表什么
heavy是什么意思
wet是什么意思
辟谷是什么意思
拜金女是什么意思
word是什么