一点经验网
首页
美食营养
生活百科
知识问答
生活知识
返回
一点经验网
首页
美食营养
游戏数码
手工爱好
生活知识
生活百科
健康养生
运动户外
职场理财
情感交际
母婴教育
时尚美容
知识问答
更多知识
搜索
台达风机水泵专用型交流电机驱动器VFD-F系列说明书:[3]
2026-02-15 22:12:59
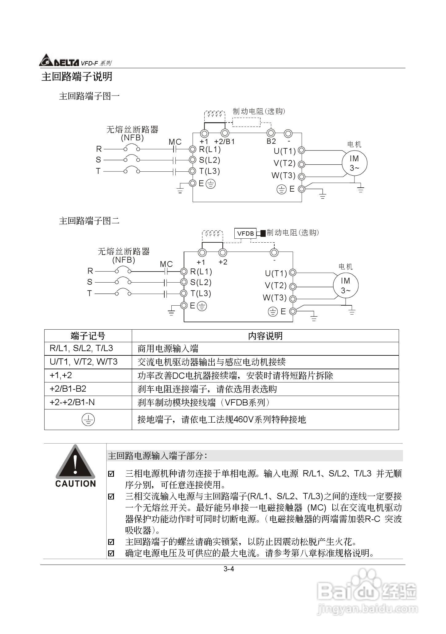
本篇为《台达风机水泵专用型交流电机驱动器VFD-F系列说明书》,主要介绍该产品的使用方法以及常见故障解决方案。
(共篇)
上一篇:
|
下一篇:
相关推荐
台达风机水泵专用型交流电机驱动器VFD-F系列说明书:[4]
阅读量:52
台达风机水泵专用型交流电机驱动器VFD-F系列说明书:[5]
阅读量:111
台达VFD-B-P系列高机能平板型交流电机驱动器使用手册:[3]
阅读量:32
台达VFD-B-P系列高机能平板型交流电机驱动器使用手册:[4]
阅读量:148
台达VFD-B-P系列高机能平板型交流电机驱动器使用手册:[1]
阅读量:146
猜你喜欢
腿麻是怎么回事
怎么唱好歌
怎么下载word文档
怎么加密文件夹
女生有胡子怎么办
标书怎么写
安全模式怎么进入
怎么下载youtube
漂流日记怎么写
怎么去除头皮屑
猜你喜欢
气喘怎么办
输入法不见了怎么恢复
圣象地板怎么样
wifi怎么读
ai怎么画虚线
头发太油怎么办
手脚麻木是怎么回事
怎么打开资源管理器
华山医院怎么样
怎么清理c盘垃圾