一点经验网
首页
美食营养
生活百科
知识问答
生活知识
返回
一点经验网
首页
美食营养
游戏数码
手工爱好
生活知识
生活百科
健康养生
运动户外
职场理财
情感交际
母婴教育
时尚美容
知识问答
更多知识
搜索
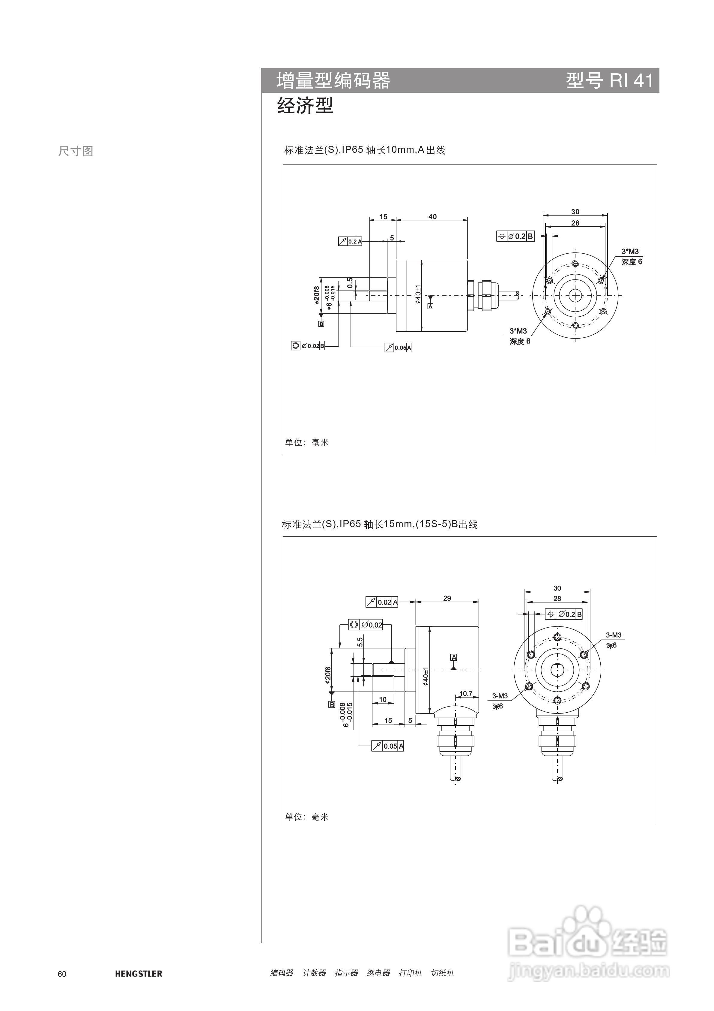
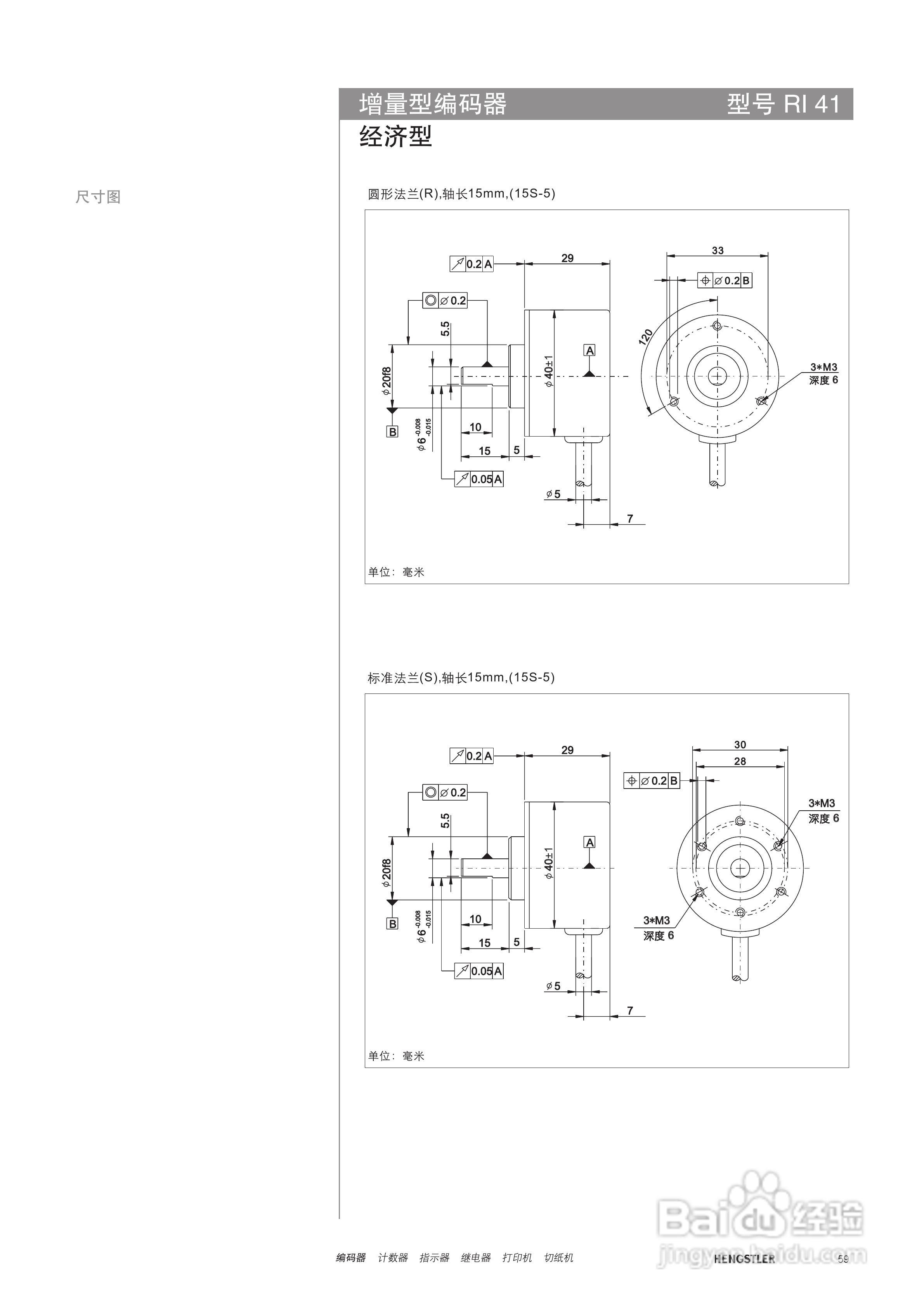
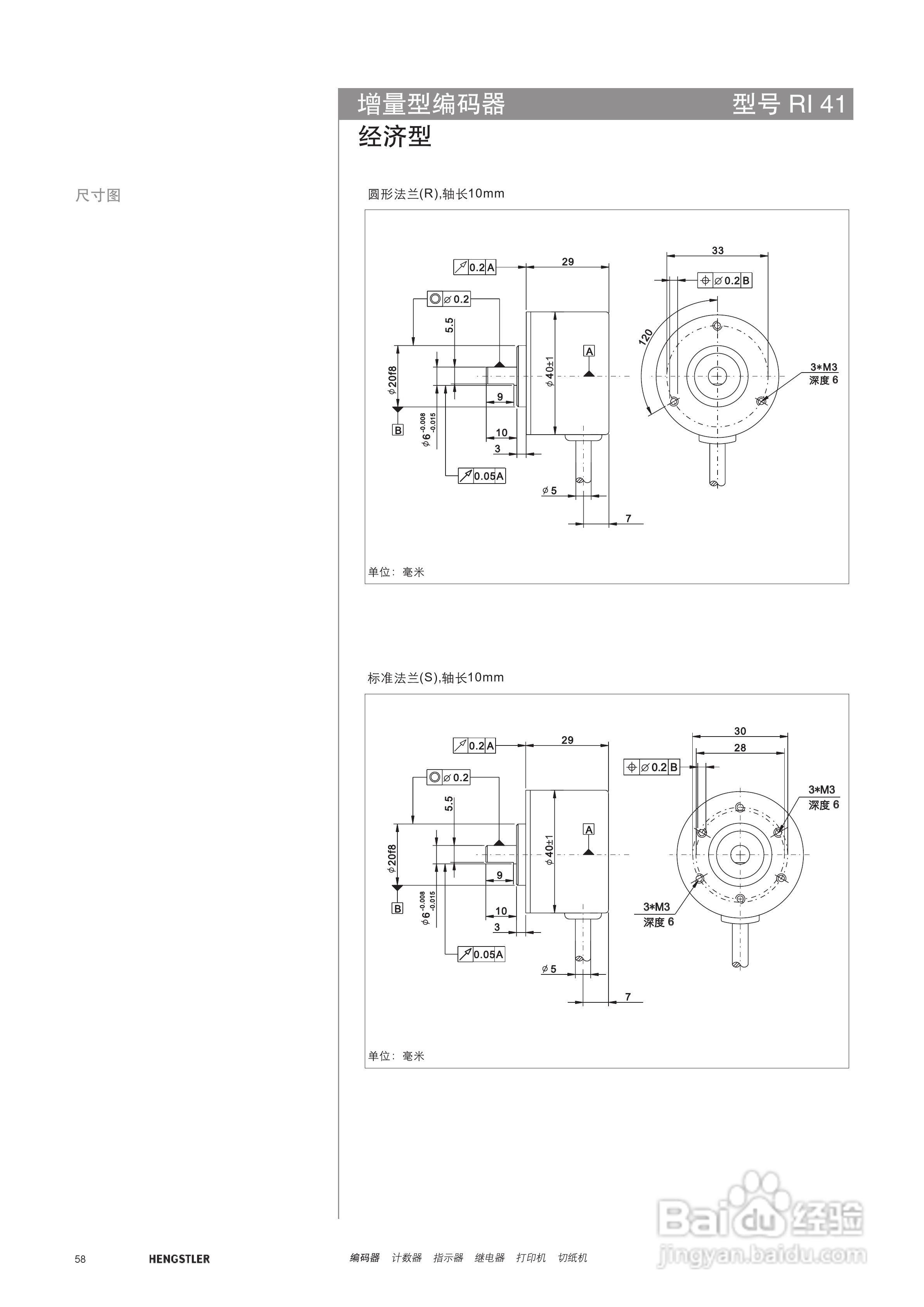
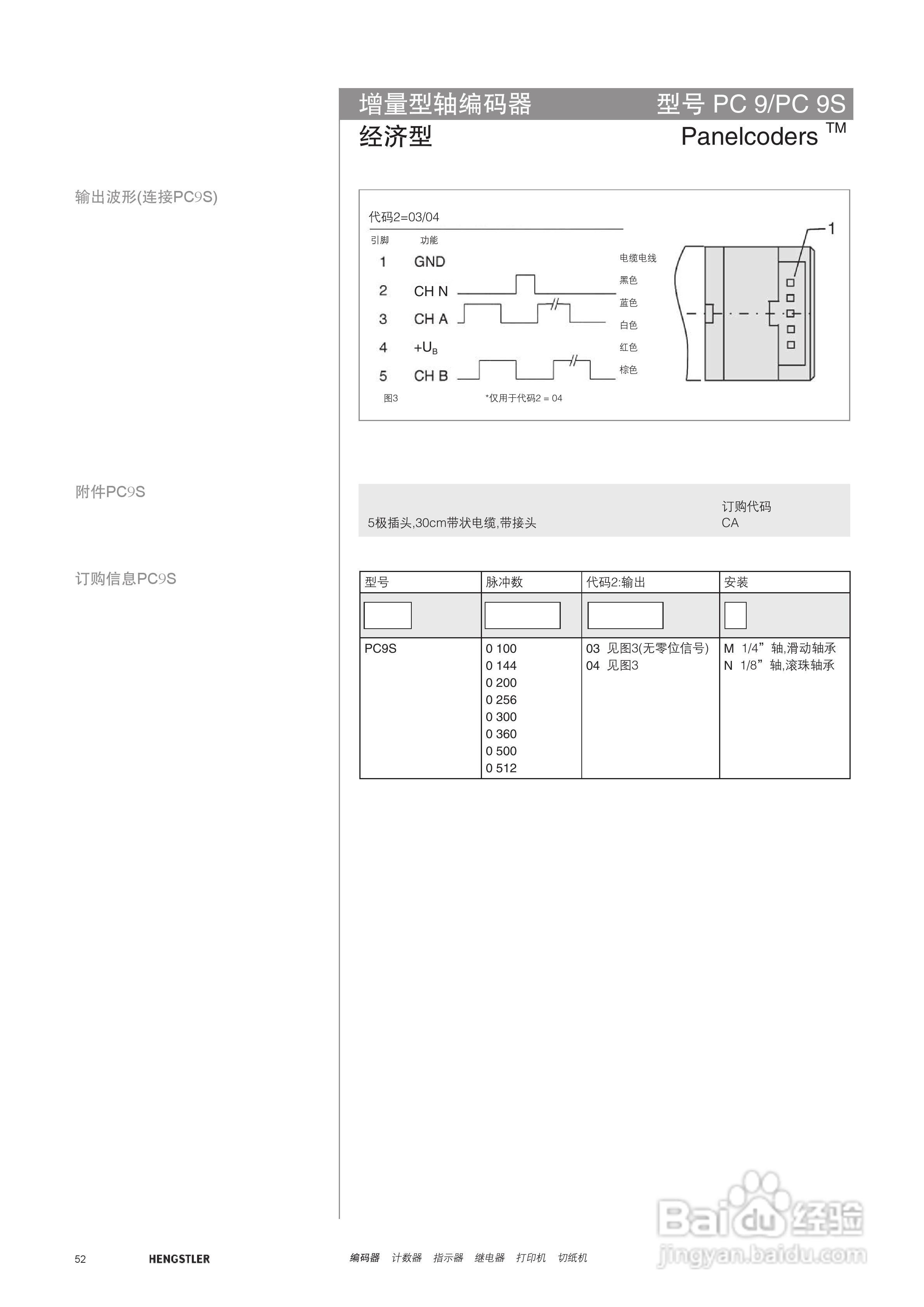
Hengstler 增量型编码器产品说明书:[6]
2026-03-30 00:25:44
本篇为《Hengstler 增量型编码器产品说明书》,主要介绍该产品的使用方法以及常见故障解决方案。
(共篇)
上一篇:
|
下一篇:
相关推荐
Hengstler 绝对值型编码器产品说明书:[6]
阅读量:27
Hengstler 绝对值型编码器产品说明书:[3]
阅读量:71
Hengstler 绝对值型编码器产品说明书:[7]
阅读量:114
Hengstler 绝对值型编码器产品说明书:[11]
阅读量:29
编码器的安装方法
阅读量:69
猜你喜欢
拉拉是什么
矜持什么意思
pa是什么
人事代理是什么意思
结婚纪念日送什么花
注册公司需要什么
nurse是什么意思
纯露是什么
糖精是什么
ing什么意思
猜你喜欢
什么是化学
什么英语
便秘是什么原因引起的
job是什么意思
四大是什么
小满是什么意思
桃花劫什么意思
正好的近义词是什么
什么发型适合自己
宁缺毋滥什么意思