一点经验网
首页
美食营养
生活百科
知识问答
生活知识
返回
一点经验网
首页
美食营养
游戏数码
手工爱好
生活知识
生活百科
健康养生
运动户外
职场理财
情感交际
母婴教育
时尚美容
知识问答
更多知识
搜索
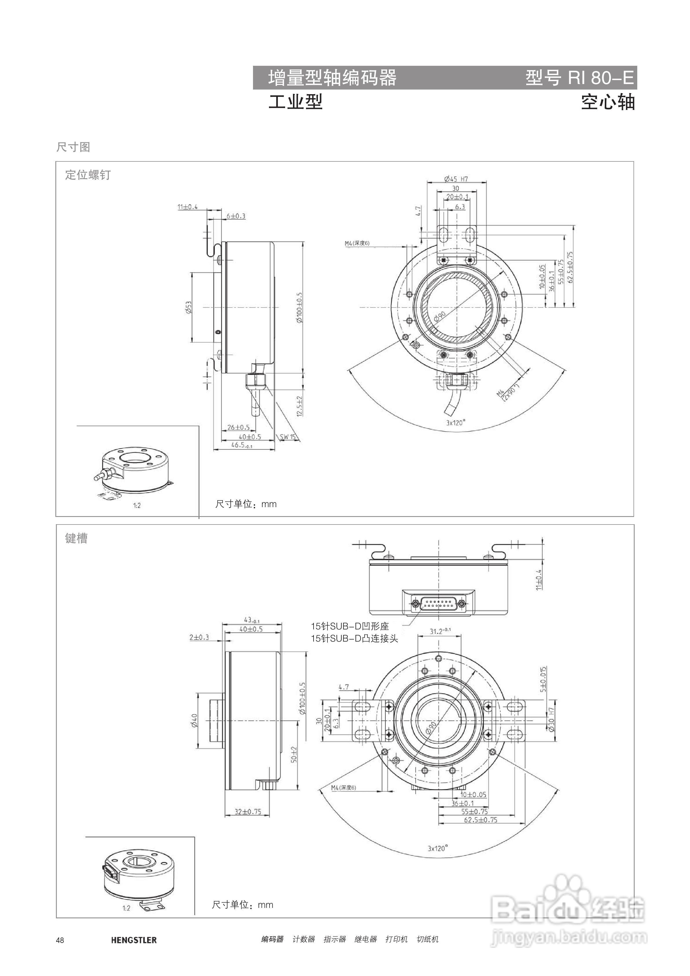
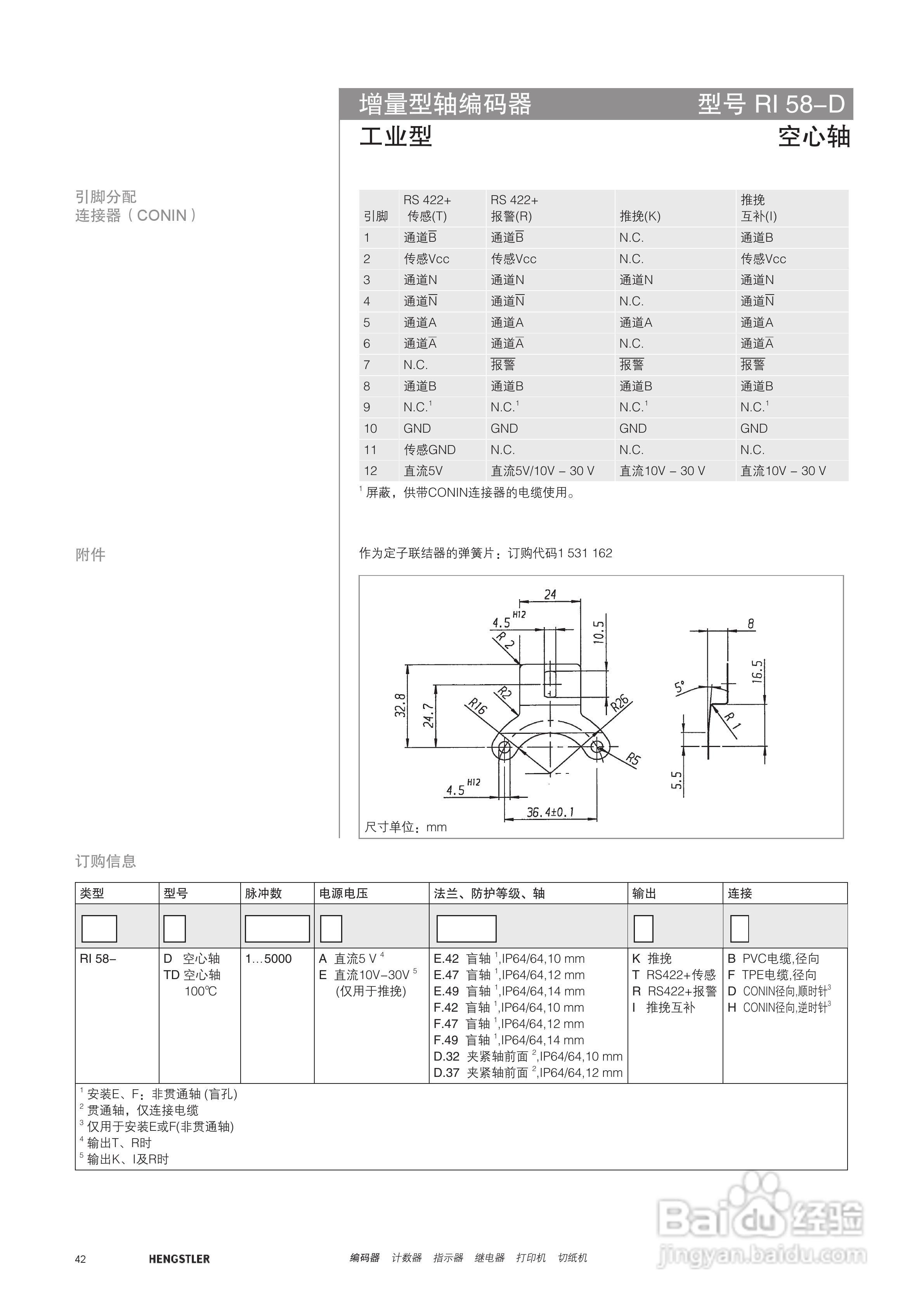
Hengstler 增量型编码器产品说明书:[5]
2026-04-01 04:33:47
本篇为《Hengstler 增量型编码器产品说明书》,主要介绍该产品的使用方法以及常见故障解决方案。
(共篇)
上一篇:
|
下一篇:
相关推荐
Hengstler 增量型编码器产品说明书:[11]
阅读量:196
Hengstler 绝对值型编码器产品说明书:[9]
阅读量:61
Hengstler 绝对值型编码器产品说明书:[4]
阅读量:109
Hengstler 绝对值型编码器产品说明书:[11]
阅读量:188
编码器的安装方法
阅读量:60
猜你喜欢
什么是腹泻奶粉
瞳孔放大意味着什么
英国代购什么最划算
血糖高饮食应注意什么
不言而喻是什么意思
豁然开朗的意思
勃勃生机的意思
darling是什么意思
无恙是什么意思
秦皮的功效与作用
猜你喜欢
坐骨神经疼有什么症状
吩咐的意思
低眉顺眼的意思
ap是什么意思
自律是什么意思
后浇带的作用
什么车没有轮
什么是委比
什么牌子的化妆品好
万里无云的意思