一点经验网
首页
美食营养
生活百科
知识问答
生活知识
返回
一点经验网
首页
美食营养
游戏数码
手工爱好
生活知识
生活百科
健康养生
运动户外
职场理财
情感交际
母婴教育
时尚美容
知识问答
更多知识
搜索
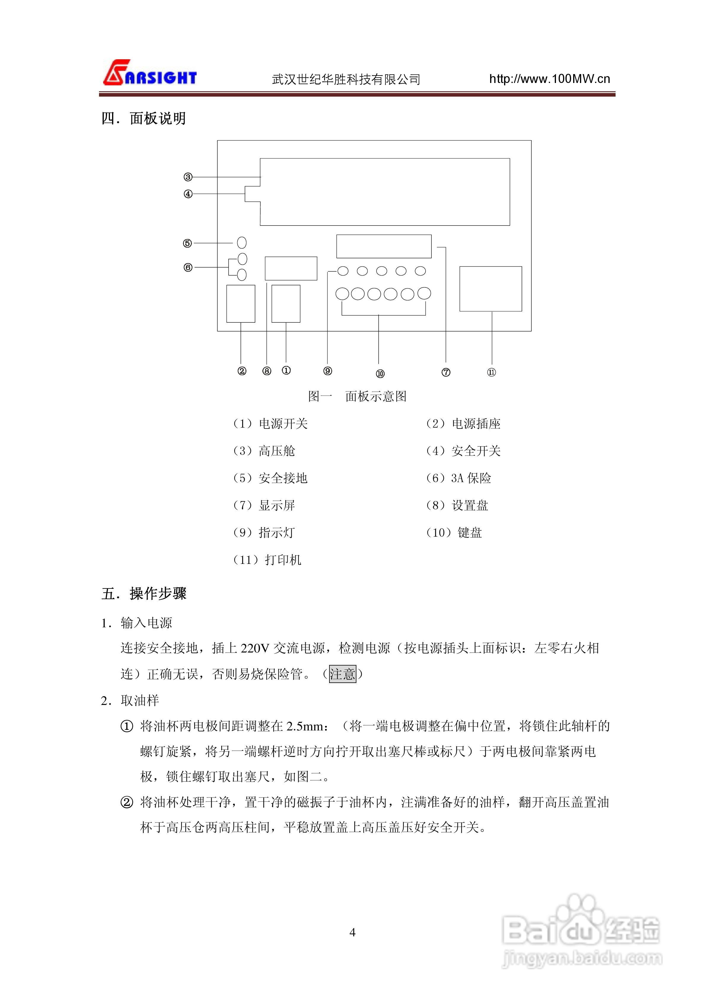
华胜FS2080绝缘油介电强度测试仪说明书
2026-02-15 19:30:06
相关推荐
华胜FS-103互感器多功能全自动综合测试仪说明书:[4]
阅读量:162
华胜FS3012 避雷器计数器测试仪说明书
阅读量:142
华胜FS20SN变压器容量特性测试仪说明书:[1]
阅读量:29
华胜FS-103互感器多功能全自动综合测试仪说明书:[3]
阅读量:75
华胜FS-103互感器多功能全自动综合测试仪说明书:[2]
阅读量:130
猜你喜欢
洗脚盆什么牌子好
微博是什么意思
荡漾是什么意思
include是什么意思
不假思索的意思是什么
过年卖什么年货赚钱
pond是什么意思
诚心诚意的意思
finally是什么意思
爆发的意思
猜你喜欢
猴年马月是什么意思
头头是道是什么意思
尽态极妍的意思
绿帽子是什么意思
农行金卡有什么好处
simple是什么意思
铰链什么牌子好
什么启示作文400字
绿卡是什么意思
女朋友生日祝福语