一点经验网
首页
美食营养
生活百科
知识问答
生活知识
返回
一点经验网
首页
美食营养
游戏数码
手工爱好
生活知识
生活百科
健康养生
运动户外
职场理财
情感交际
母婴教育
时尚美容
知识问答
更多知识
搜索
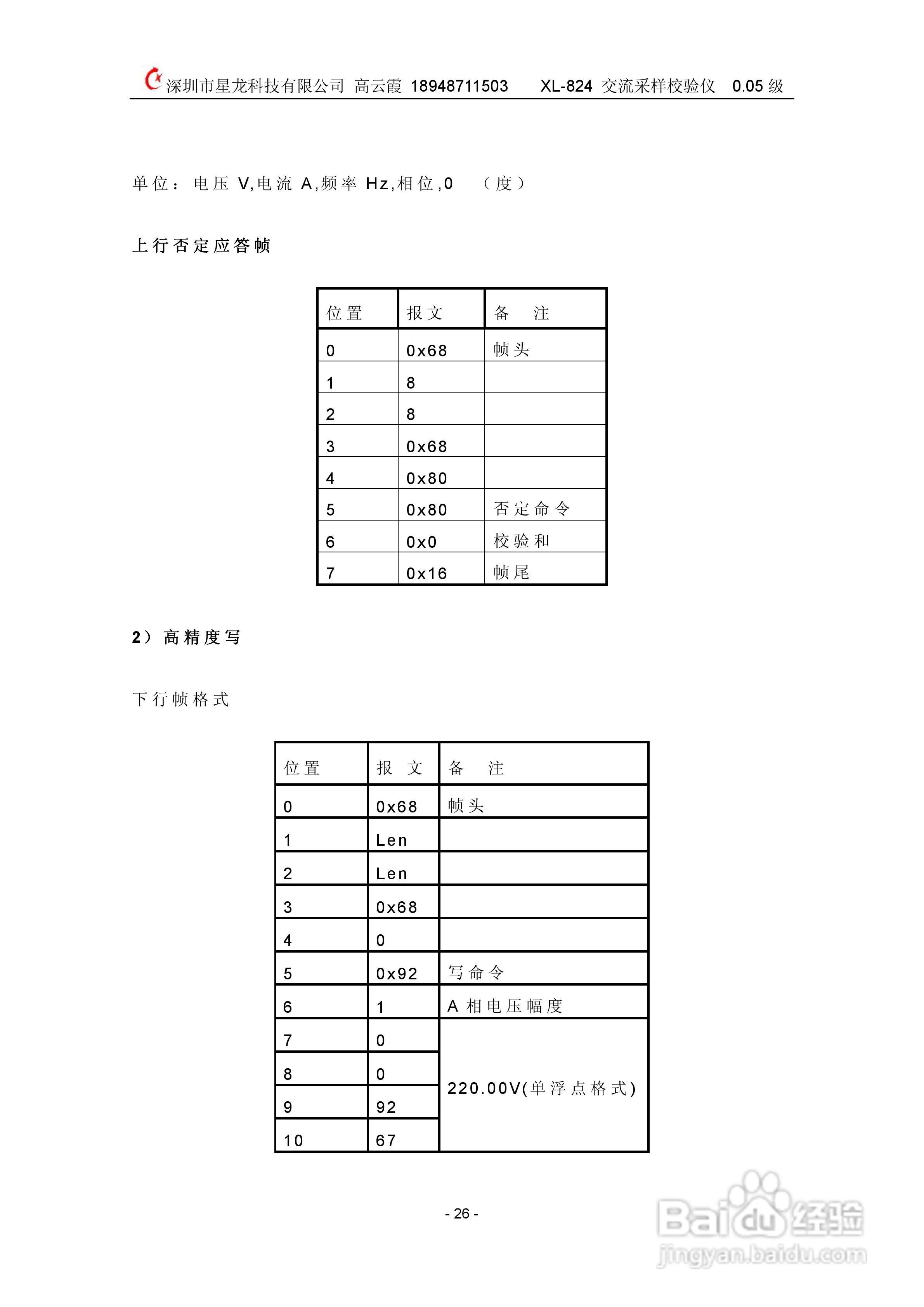
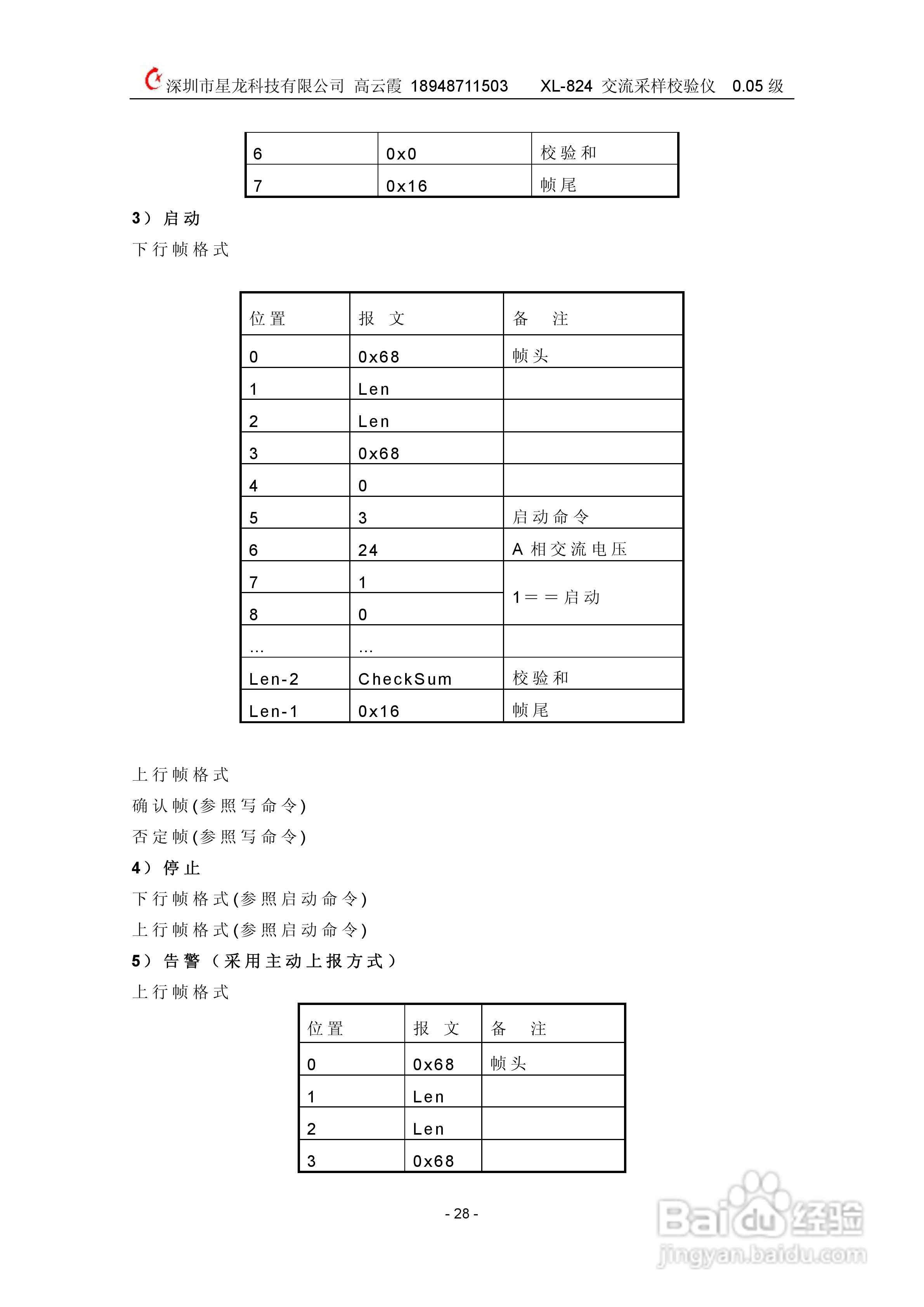
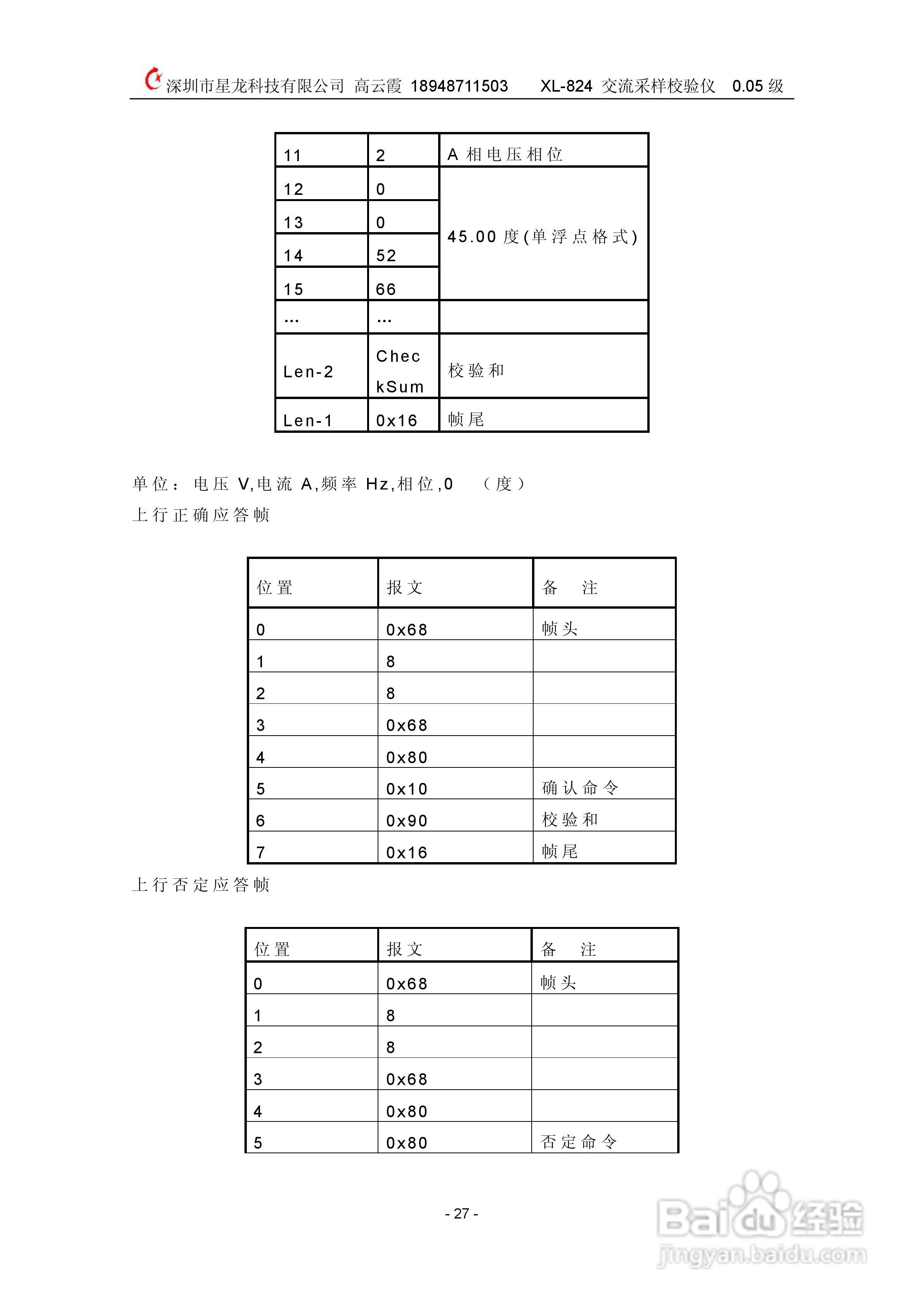
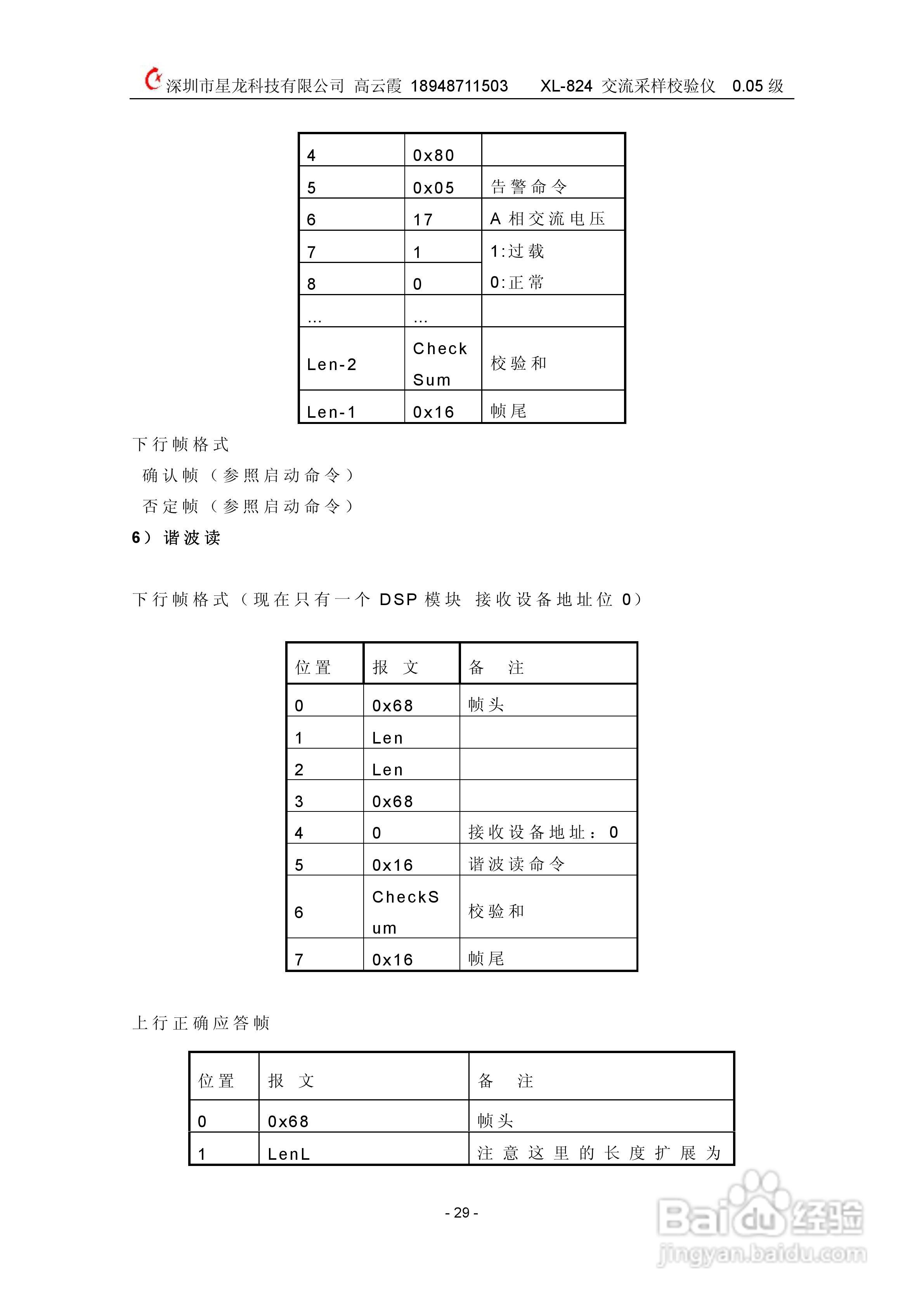
XL824交流采样校验仪说明书:[3]
2026-02-15 14:22:59
本篇为《XL824交流采样校验仪说明书》,主要介绍该产品的使用方法以及常见故障解决方案。
(共篇)
上一篇:
|
下一篇:
相关推荐
KS908交流采样变送器校验仪使用说明书:[3]
阅读量:155
XL-808 数字化电能表校验仪用户手册:[3]
阅读量:145
KS908交流采样变送器校验仪使用说明书:[4]
阅读量:147
XL807电子式互感器校验仪使用说明书V1.1:[3]
阅读量:93
XL807电子式互感器校验仪使用说明书V1.1:[1]
阅读量:119
猜你喜欢
搭配
东部华侨城攻略
清蒸螃蟹怎么做
骑自行车能减肥吗
奥利司他胶囊减肥效果怎么样
荷叶茶减肥
孕妇减肥
怎么找性伴侣
魔芋减肥
360急救盘怎么用
猜你喜欢
长白山旅游攻略
瞿秋白简介
正常的大冒险攻略
传染性软疣怎么治疗
自由行旅游攻略
滴水湖攻略
达尔文进化岛攻略
减肥小窍门
穴位减肥
早餐吃什么最减肥