一点经验网
首页
美食营养
游戏数码
知识问答
生活知识
返回
一点经验网
首页
美食营养
游戏数码
手工爱好
生活知识
健康养生
运动户外
职场理财
情感交际
母婴教育
时尚美容
知识问答
搜索
技嘉GA-780T-D3L主板使用手冊:[1]
2026-02-15 16:43:59
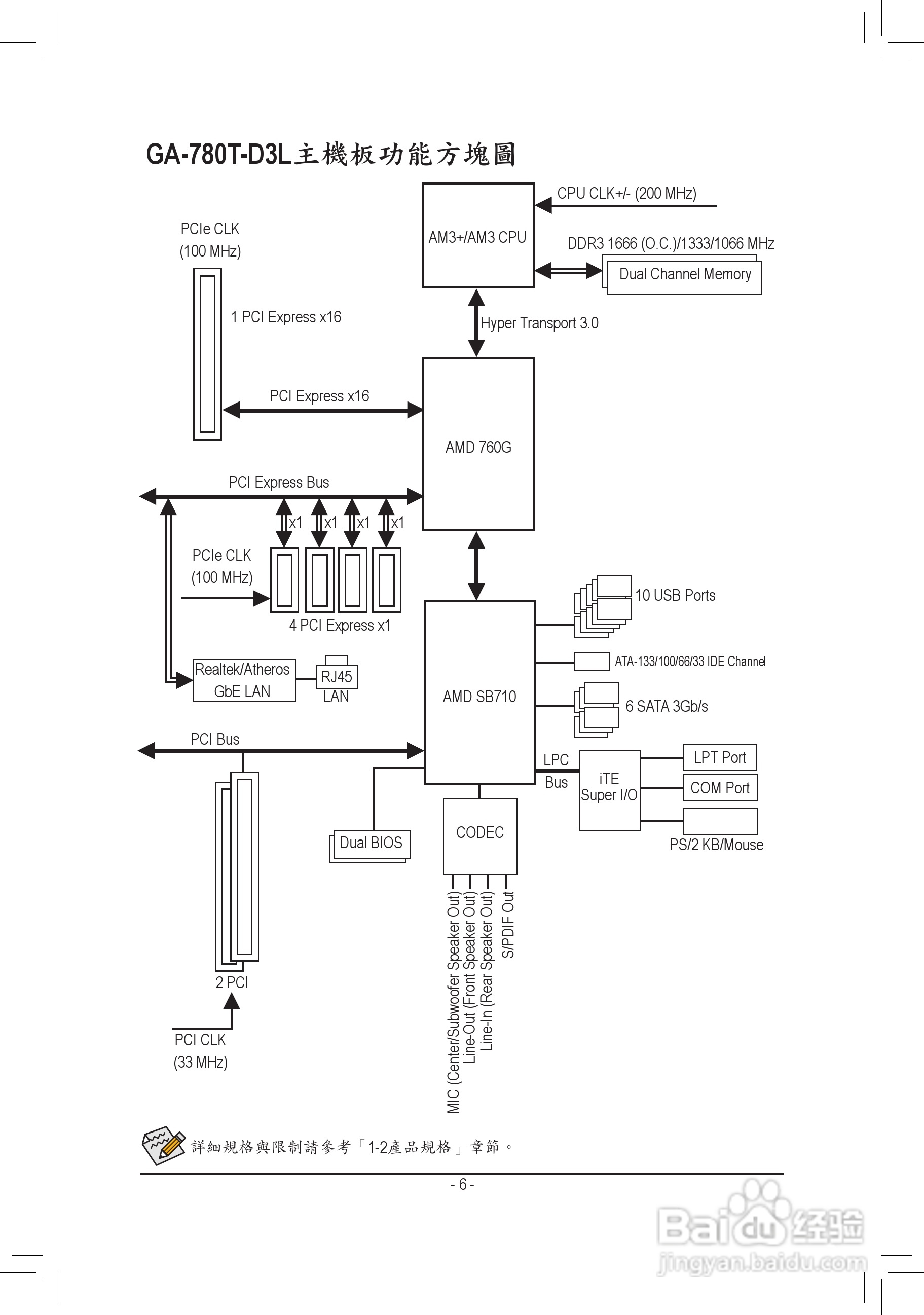
本篇为《技嘉GA-780T-D3L主板使用手冊》,主要介绍该产品的使用方法以及常见故障解决方案。
(共篇)
下一篇:
相关推荐
技嘉主板bios设置中文
阅读量:114
显卡花屏自修方法
阅读量:113
如何升级主板BIOS?如何刷主板BIOS
阅读量:57
如何调cpu风扇转速
阅读量:179
至强e31230v2相当于i几
阅读量:105
猜你喜欢
11月24日是什么日子
你有什么
黄鳝养殖技术培训
随波逐流是什么意思
cpk是什么意思
.log是什么文件
770是什么意思
怨天尤人是什么意思
太白粉是什么粉
seal是什么意思
猜你喜欢
含维生素c的水果
镜像文件是什么意思
千里共婵娟是什么意思
fear是什么意思
巴黎公社运动
什么的泪水
庚日是什么意思
什么是十进制计数法
运动会通讯稿
什么钓鱼愿者上钩