一点经验网
首页
美食营养
游戏数码
知识问答
生活知识
返回
一点经验网
首页
美食营养
游戏数码
手工爱好
生活知识
健康养生
运动户外
职场理财
情感交际
母婴教育
时尚美容
知识问答
搜索
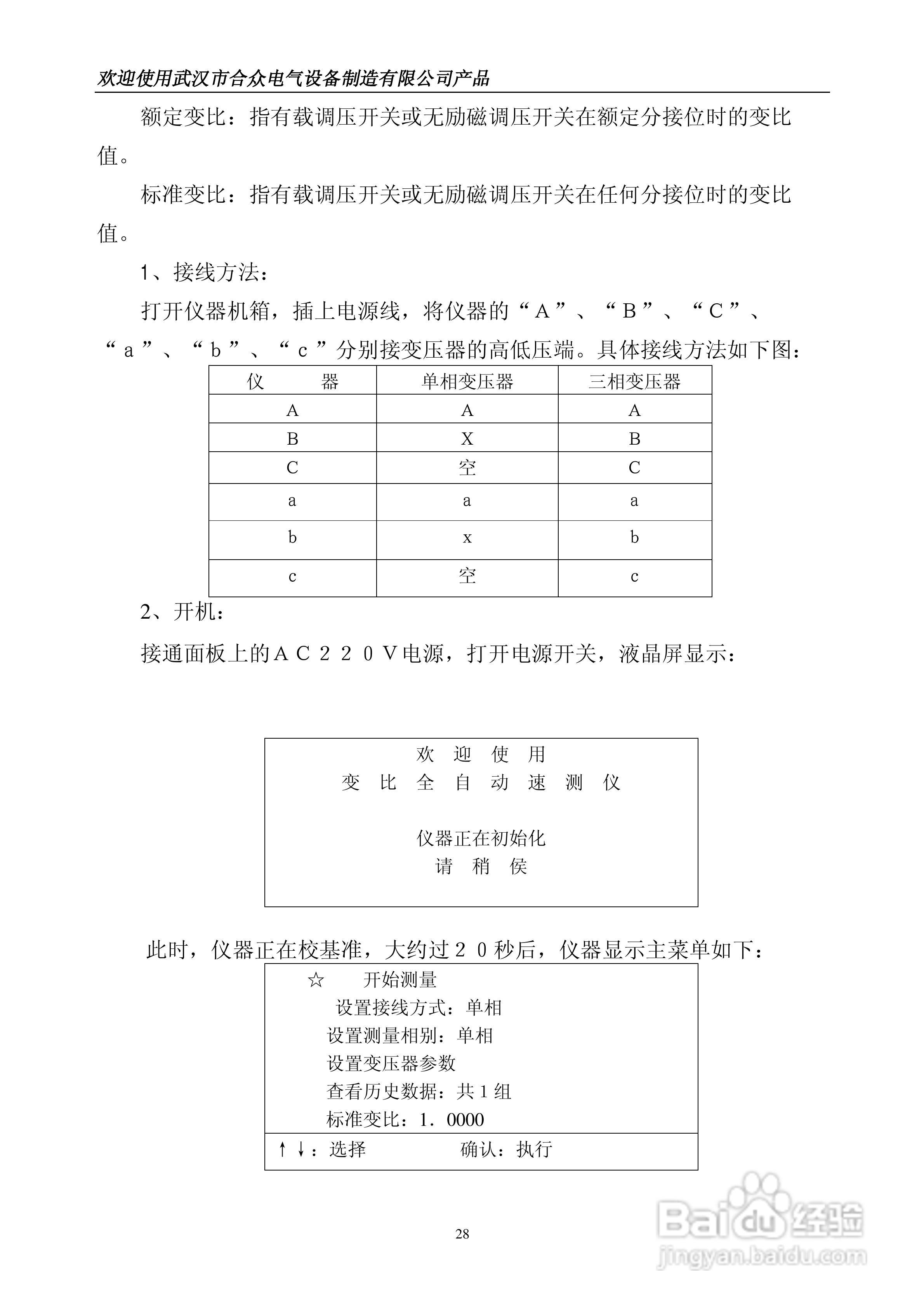
合众ZHT-B型变压器综合测试台说明书:[3]
2026-02-15 15:48:49
本篇为《合众ZHT-B型变压器综合测试台说明书》,主要介绍该产品的使用方法以及常见故障解决方案。
(共篇)
上一篇:
相关推荐
BZT-II系列变压器综合测试台使用说明书:[3]
阅读量:44
华宝HB-BZT变压器综合测试台说明书:[2]
阅读量:122
BZT-II系列变压器综合测试台使用说明书:[2]
阅读量:51
华宝HB-BZT变压器综合测试台说明书:[1]
阅读量:173
BZT-II系列变压器综合测试台使用说明书:[4]
阅读量:76
猜你喜欢
日本邪恶漫画大全
面瘫的最佳治疗方法
年报怎么做
牛排的家常做法
麻将算牌方法和规律
治疗鼻窦炎最佳方法
芦笋怎么做好吃
林忆莲经典歌曲大全
平安树的养殖方法和注意事项
100个经典幽默笑话大全
猜你喜欢
激素脸的治疗方法
出汗多怎么办
动漫黄的视频大全在线观看
好吃易做的家常菜
现实表现怎么写
芦笋怎么做好吃
酿酒方法
老婆决心离婚最好的处理方法
亿健跑步机怎么样
菠萝咕噜肉的家常做法