一点经验网
首页
美食营养
生活百科
知识问答
生活知识
返回
一点经验网
首页
美食营养
游戏数码
手工爱好
生活知识
生活百科
健康养生
运动户外
职场理财
情感交际
母婴教育
时尚美容
知识问答
更多知识
搜索
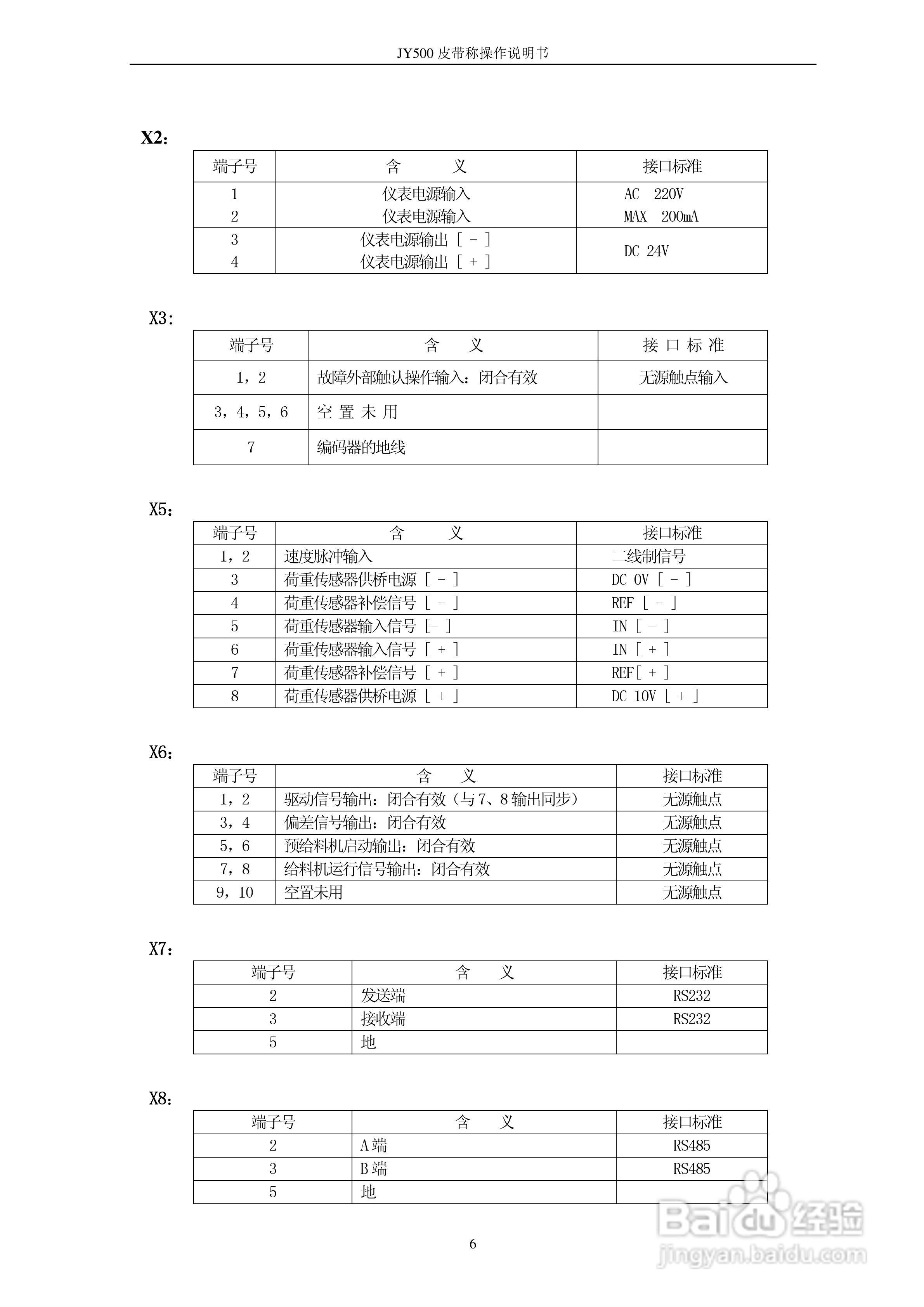
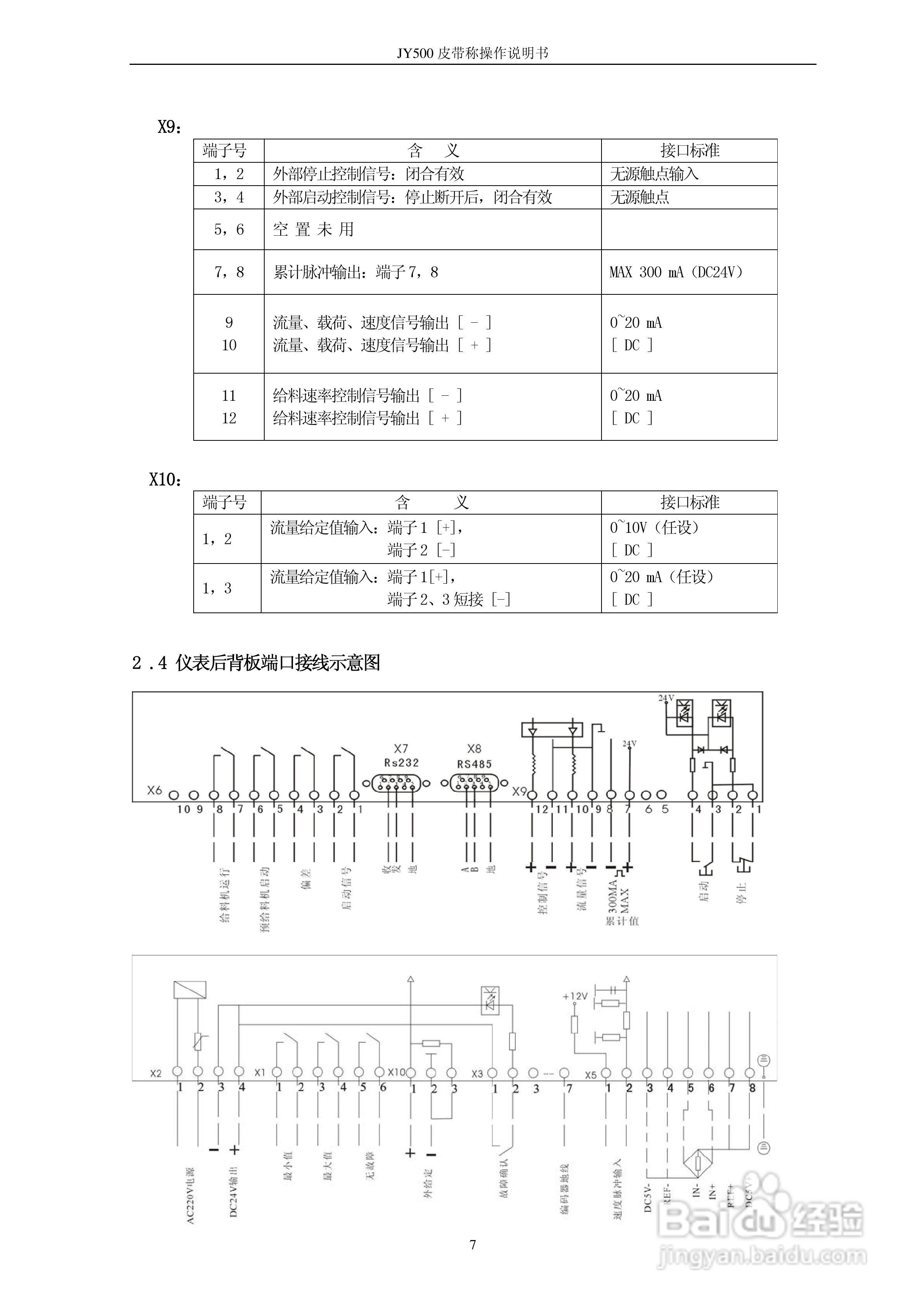
龙芯JY-500B皮带秤显示控制器使用说明书:[1]
2026-04-23 01:01:49
本篇为《龙芯JY-500B皮带秤显示控制器使用说明书》,主要介绍该产品的使用方法以及常见故障解决方案。
(共篇)
下一篇:
相关推荐
三基S200-4T5.5G变频器操作手册:[1]
阅读量:102
Lfsp前端框架如何使用?
阅读量:150
螺杆泵选型方法
阅读量:20
步进电机伺服电机使用中如何实现蜂鸣报警
阅读量:73
布袋风管常见剖面形状介绍
阅读量:85
猜你喜欢
再贴现是什么意思
举案齐眉是什么意思
颐养天年的意思
月经是什么样的图片
乳贴有什么用
珍藏的意思
痔疮都有什么症状
汇集的意思
过路费计入什么科目
独白是什么意思
猜你喜欢
qe是什么意思
奉献的意思
言不由衷的意思
广场舞音响什么牌子好
考究的意思
叶酸买什么牌子的好
赋得古原草送别古诗的意思
功成名就的意思
血压仪什么牌子好
健身穿什么衣服