一点经验网
首页
美食营养
生活百科
知识问答
生活知识
返回
一点经验网
首页
美食营养
游戏数码
手工爱好
生活知识
生活百科
健康养生
运动户外
职场理财
情感交际
母婴教育
时尚美容
知识问答
更多知识
搜索
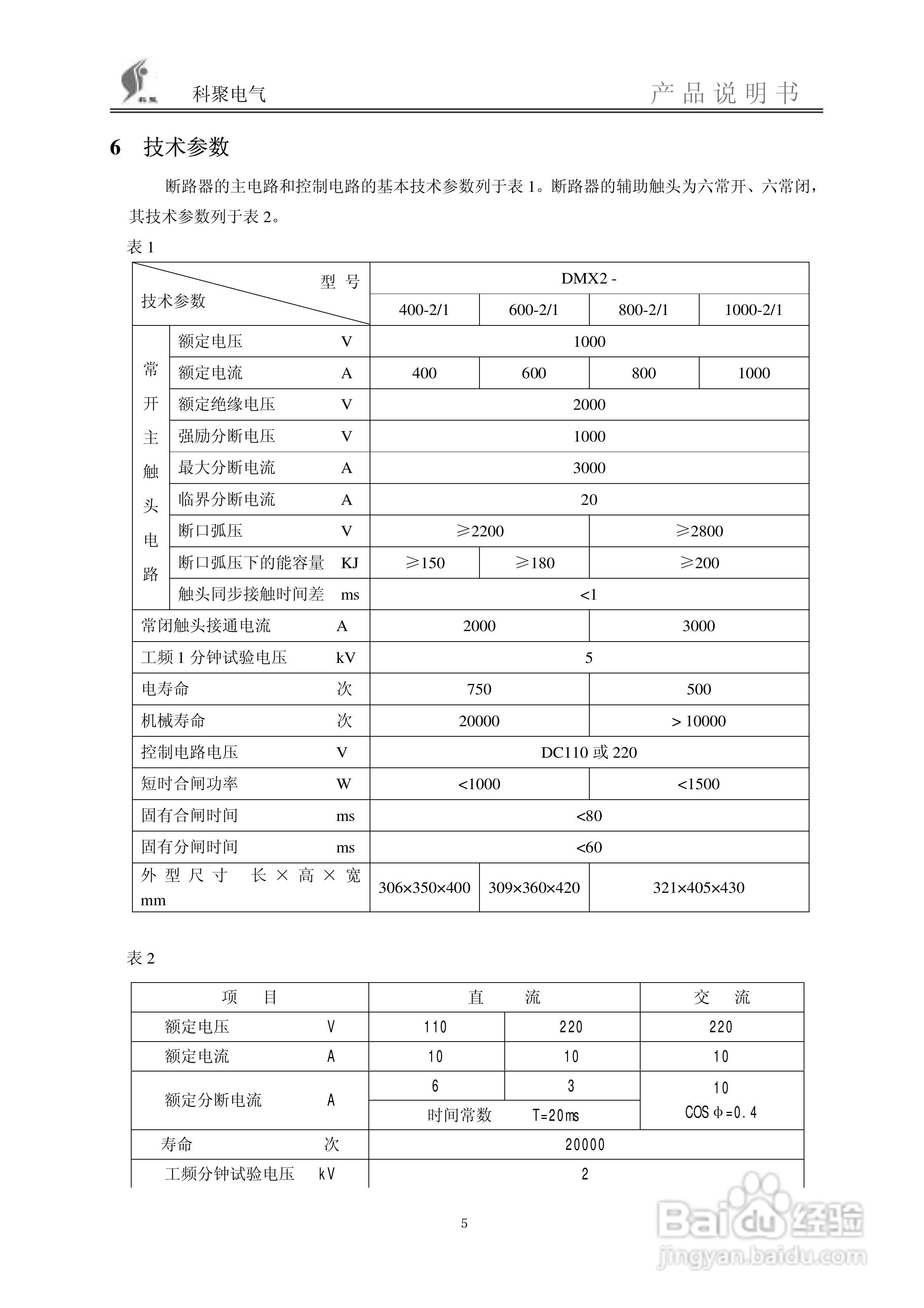
400-1000A DMX2磁场断路器说明书:[1]
2026-03-01 18:50:54
本篇为《400-1000A DMX2磁场断路器说明书》,主要介绍该产品的使用方法以及常见故障解决方案。
(共篇)
相关推荐
BK-781·785
阅读量:74
LDT进阶篇(4)--函数
阅读量:59
如何快速去掉眼袋?
阅读量:25
如何做出冰凉又解暑的青提奶冻?
阅读量:79
结婚戒指的戴法
阅读量:107
猜你喜欢
穿越女的星际生活
高考分数怎么查询
韩菲诗化妆品怎么样
我的课余生活作文300字
如何提高服务意识
浴霸如何安装
朝鲜人的生活
小确幸是什么意思
创世中文网怎么样
吸收不好吃不胖怎么办
猜你喜欢
如何去角质
扬子地板质量怎么样
生活疲惫无助累的句子
生活中的数学知识
如何变得有气质
油蜡皮是什么皮
熊猫兔怎么养
怎么截屏网页
枝枝花怎么养
厚大司考怎么样