一点经验网
首页
美食营养
生活百科
知识问答
生活知识
返回
一点经验网
首页
美食营养
游戏数码
手工爱好
生活知识
生活百科
健康养生
运动户外
职场理财
情感交际
母婴教育
时尚美容
知识问答
更多知识
搜索
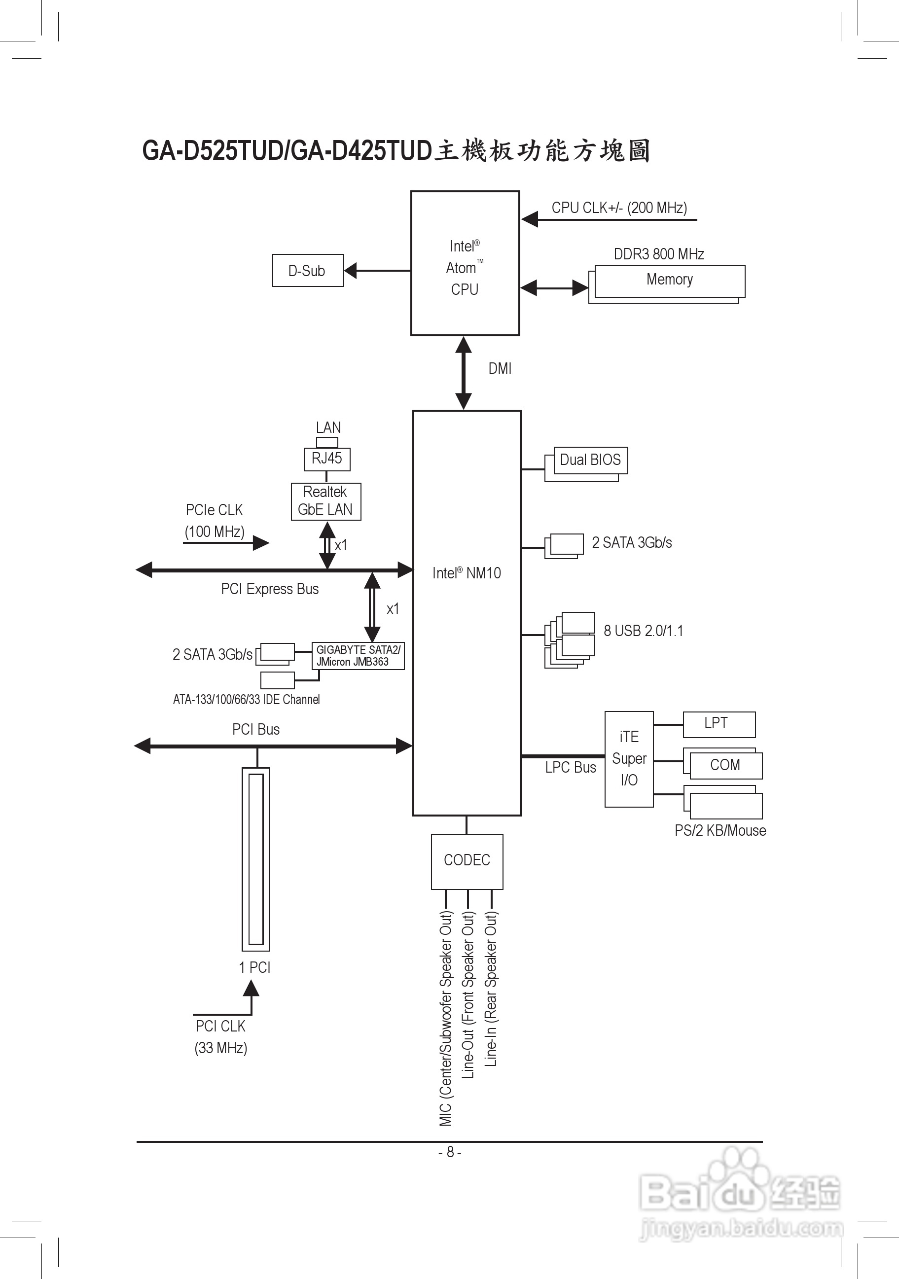
技嘉GA-D525TUD主板使用手册:[1]
2026-02-14 01:06:42
本篇为《技嘉GA-D525TUD主板使用手册》,主要介绍该产品的使用方法以及常见故障解决方案。
(共篇)
下一篇:
相关推荐
技嘉GA-G41MT-S2PT主板使用手册:[1]
阅读量:174
技嘉GA-D525TUD主板使用手册:[2]
阅读量:72
技嘉GA-A55-S3P主板使用手册:[2]
阅读量:121
技嘉GA-H61MA-D3V主板使用手册:[1]
阅读量:98
技嘉GA-D425TUD主板使用手册:[5]
阅读量:106
猜你喜欢
excel怎么做表头
生活图片
千眼菩提子怎么变绿
乐享生活
wf密码怎么修改
如何投稿
乐思茗的悠闲生活
生活家地板
骨癌的前兆是什么症状
十二月是什么星座
猜你喜欢
难忘的小学生活作文
电脑截图快捷键ctrl加什么
起点中文网怎么写小说
如何进入fastboot
自缢是什么意思
生活家木地板
过敏性体质怎么改善
小米4s怎么样
田螺怎么洗干净
怎么申请吧主