一点经验网
首页
美食营养
生活百科
知识问答
生活知识
返回
一点经验网
首页
美食营养
游戏数码
手工爱好
生活知识
生活百科
健康养生
运动户外
职场理财
情感交际
母婴教育
时尚美容
知识问答
更多知识
搜索
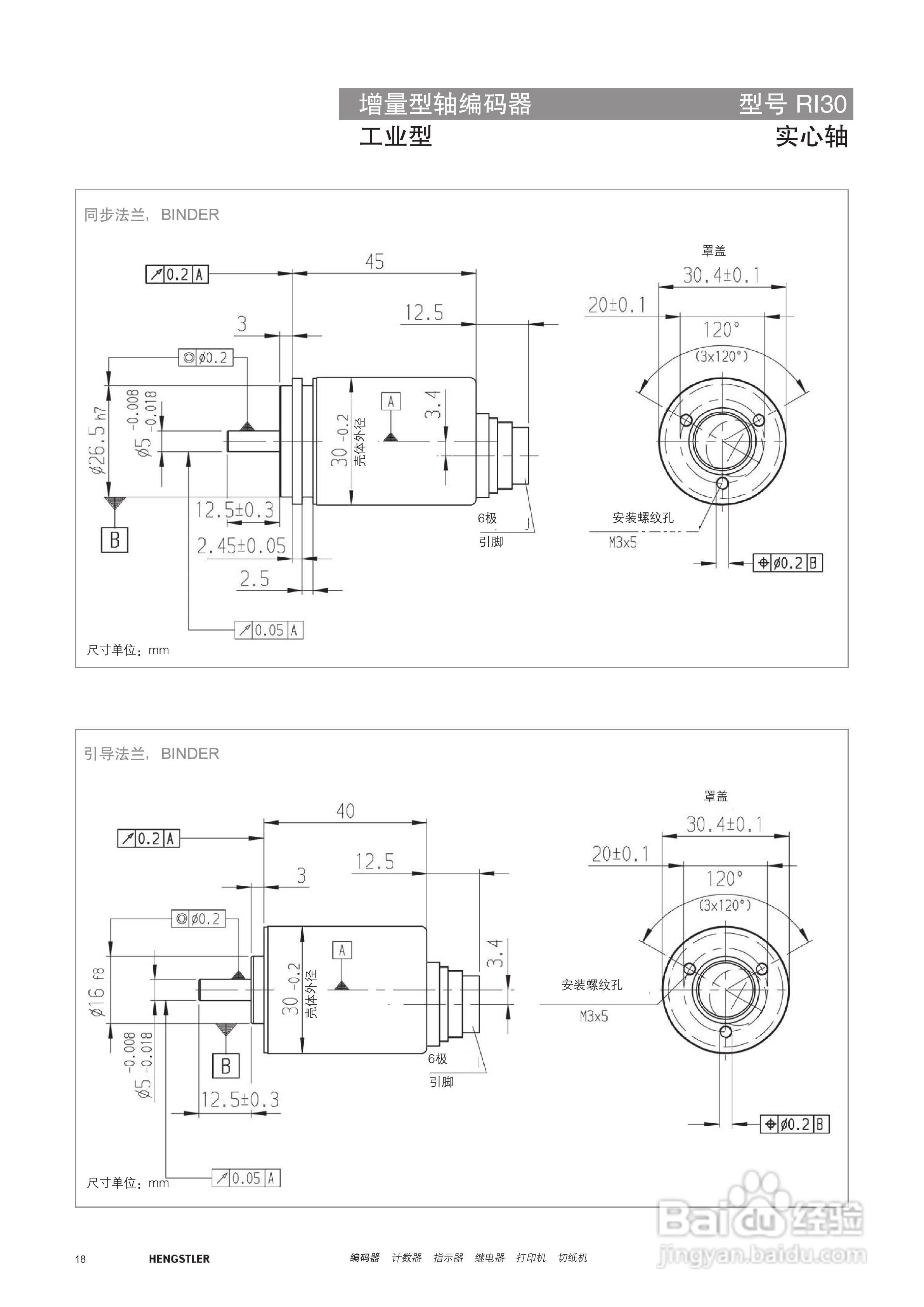
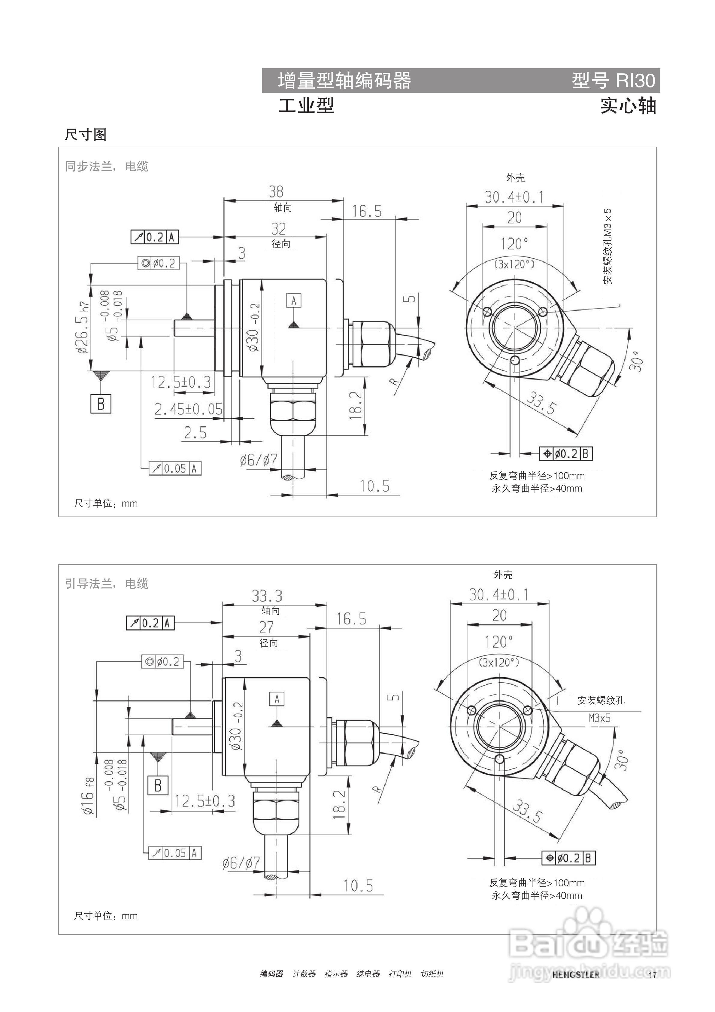
Hengstler 增量型编码器产品说明书:[2]
2026-04-06 21:13:34
本篇为《Hengstler 增量型编码器产品说明书》,主要介绍该产品的使用方法以及常见故障解决方案。
(共篇)
上一篇:
|
下一篇:
相关推荐
Hengstler 增量型编码器产品说明书:[10]
阅读量:22
Hengstler 绝对值型编码器产品说明书:[9]
阅读量:141
Hengstler 绝对值型编码器产品说明书:[3]
阅读量:139
Hengstler 绝对值型编码器产品说明书:[8]
阅读量:180
Hengstler 绝对值型编码器产品说明书:[11]
阅读量:86
猜你喜欢
认缴制是什么意思
粉墨登场什么意思
behave是什么意思
情人节该送什么礼物
手机越狱有什么好处
息事宁人的意思
.dwg用什么软件打开
春来江水绿如蓝的意思
婚礼祝福语简短
abcdefg是什么意思
猜你喜欢
过生日的祝福语
刹车盘什么牌子好
以德报怨的意思
娓娓动听是什么意思
隽永是什么意思
己所不欲 勿施于人的意思
上环是什么意思
金玉良言的意思
8到10万买什么车好
什么是三厢车和两厢车